0
Каталог товарів
Каталог товарів
Звʼязатися з нами
Графік роботи
Пн-Пт: 09:00 - 17:00
Сб: 10.00-13.00
м. Київ, Берестейський проспект
(Перемоги) 67а, ЖК "Нивки Парк"
В наявності

Кутик прес Icma 16 №403

Бренд: Icma
Код: SD00009806
220.00
грн

Оплата

При отриманні:
готівкою/карткою
В магазині:
готівкою/карткою
На рахунок ФОП:
безготівкова оплата

Доставка

Поштомат/Відділення/Курʼєр
Нова Пошта
Курʼєр
Київ і передмістя (15км)
Самовивіз
з магазину

Гарантія

Гарантія від виробника:
24 місяця

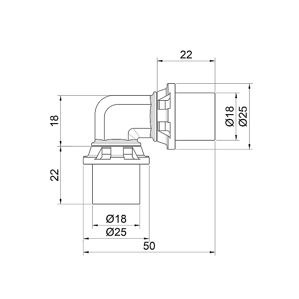
Характеристики Кутик прес Icma 16 №403

Бренд
Код
SD00009806
Вага брутто, кг
0.068
Вага нетто, кг
0.066
Вид підключення
Опресування
Габарити упаковки (ШхГхВ), мм
40*150*90
Габаритні розміри виробу (ШхГхВ), мм
50х25х40
Країна реєстрації бренду
Італія
Країна виробник
Італія
Максимальна робоча температура, °C
95
Максимальний робочий тиск, бар
10
Матеріал
Латунь/Нержавіюча сталь
Покриття
Нікель
Розмір підключення
16
Серія
403
Тип виробу
Кутик рівнопрохідний

Опис Кутик прес Icma 16 №403

Кути прес-фітинги Sempiter Арт. 403 16х16 мм були створені для монтажу з радіальним пресуванням. Механічне з'єднання забезпечує спеціальний профіль фітинга і гільзи з нержавіючої сталі, які були розроблені спеціально для того, щоб пресування відбувалася трьома різними профілями. Механічне з'єднання забезпечує спеціальний профіль фітинга і гільзи з нержавіючої сталі, які були розроблені спеціально для того, щоб пресування відбувалася трьома різними профілями.

Товари категорії

Дивитися ще
Муфта прес Icma 26 №400
Код: SD00006299
Муфта прес Icma 26 №400
452.00
грн
Муфта прес Icma 16 №400
Код: SD00006283
Муфта прес Icma 16 №400
226.00
грн
Змішувач для ванни GAPPO G3207, хром
Код: G3207
-14%
Новинки
Розпродаж
Змішувач для ванни GAPPO G3207, хром
7350.00 грн
6338.00
грн
Термоголовка Icma 28х1,5 №1100
Код: SD00021924
-20%
Топ
Розпродаж
Термоголовка Icma 28х1,5 №1100
749.00 грн
600.00
грн
Змішувач для умивальника Wezer EKO11C-01-BLACK
Код: EKO11C-01
-22%
Розпродаж
Змішувач для умивальника Wezer EKO11C-01-BLACK
1375.00 грн
1070.00
грн
220.00
грн
Звʼязатися з нами
Графік роботи
Пн-Пт: 09:00 - 17:00
Сб: 10.00-13.00
м. Київ, Берестейський проспект
(Перемоги) 67а, ЖК "Нивки Парк"
Стежити за нами
Made by PROBYTECH
© Всі права захищені Santeh24 - 2026
Кошик
Отримай знижку на покупку
Акція
Купуй від 3000 грн — отримуй 3% знижки
Купуй від 5000 грн — отримуй 4% знижки на все замовлення
Купуй від 10000 грн — отримуй 5% знижки на все замовлення
*не беруть участь товари з розділу Розпродаж
-3%
-4%
-5%
Кошик порожній
Всього товарів на суму
грн
До оплати
грн
Мінімальна сума замовлення - 500 грн
Продовжити покупки
Оформити замовлення
|
грн